@av01 schreef:
Wanneer ik de DVBC aansluit (ik heb een CD of Video aansluiting met tulips nog vrij op de versterker) - dan hoor je niets - ik moet de versterker helemaal opendraaien naar 50 om normaal 'geluidssterkte' te hebben...
Het is normaal dat de verschillende ingangen van jouw versterker niet allemaal hetzelfde geluidsniveau hebben. Maar dat je het volume op 50 moet zetten (waar 10 het normale volume is), is absoluut niet normaal.
Mogelijke oorzaken:
- het volume dat de Vistron uitstuurt is te laag. Probeer met de Vistron afstandsbediening het volume op maximaal te zetten (je regelt het geluid op de versterker).
- Als je een Video ingang gebruikt (geel, wit, rode tulips), maar alleen het Audio gedeelte gebruikt (alleen wit/rode tulip), kan het zijn dat jouw versterker het audio gedeelte afsluit, zolang deze geen video signaal ziet. In dit geval is de Video ingang niet bruikbaar.
- Heb je op de versterker de juiste ingang geselecteerd? Kan je een andere ingang proberen?
Pas Op: als je een andere ingang of selectie gebruikt, zet eerst het volume terug op 10, anders kan je de boxen (of de versterker) beschadigen.
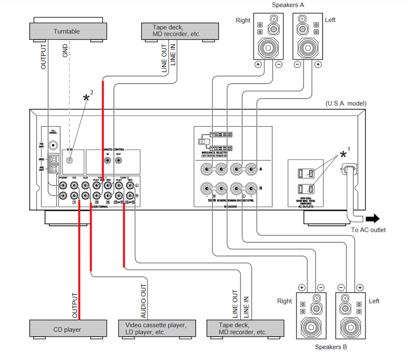
Hieronder het voorbeeld van de achterzijde van mijn versterker (oud beestje: Yamaya RX496 ook met 2*2 boxen).
Het signaal van de Vistron kan ik aansluiten op volgende ingangen (zie rode lijnen):
- CD ingang
- AUX ingang
- TAPE 1 (PLAY) ingang
- TAPE 2 (PLAY) ingang
De PHONE ingang is niet bruikbaar, gezien de RIAA voorversterker

PS. De Vistron heeft ook een digitale audio uitgang (optisch). Indien je versterker een "digital audio" ingang heeft, is dit de beste manier van aansluiten!