Beantwoorden
HowHughes
Freshman Weetjesweter
Berichten: 12
Handje vol! Twee handen vol! Leesbeest! Mooi, mooi!

Hoe extra TV-box verbinden via UTP-kabel?

Ik wil overschakelen naar een ONE-formule en een tv-box...maar heb een coax inkomend op benedenvloer (garage) waar modem staat en heb ook nog een coax verbinding op 1ste verdiep die verbonden is met digicorder (voor tv). Ik heb dus geen UTP-kabel op eerste verdiep. Voor de tv-box is er dus coax en utp verbinding nodig (of via wifi of 360pod). Ik wil kiezen voor bekabeling. Normaal gezien zit er dus ook internetverbinding doorheen de coax-kabel (die dus wel ook op 1ste verdiep aanwezig is zoals aangegeven). Kan ik dan geen 2de telentnet modem verkijgen om op 1ste verdiep te plaatsen die op de coax kan aangesloten worden en dus uitgaand UTP voorziet...of kan ik via dit toestel werken ; https://www.allekabels.be/coax-kabel/74/4221751/coax-over-utp-plug-in-adapter.html?lang=nl-be.
graag vlug een antwoord aangezien de aktie voor ONE met geschenk nog tot 15/01 loopt.

 

Titel gewijzigd door Christof (mod) | Vorige titel: tv-box via coaxkabel met een toestel utp over coax ?

0 Likes
13 reacties
WG94
Professional Meesterweter
Berichten: 3332
PhD in problem solving! Jij bent geliefd! Jij Netweters wikipedia! De nieuwe Einstein!

Hoe extra TV-box verbinden via UTP-kabel?

Met zo een MoCA oplossing heb je geen tweede modem nodig (een tweede modem voor het zelfde abonnement wordt ook niet gegeven trouwens)

Je verbindt deze met een ethernet kabel beneden met je modem (en via COAX aan je NIU). Boven kan je dan eender welk ethernet apparaat aansluiten op het toestel zoals een Access Point, switch of meteen een eind apparaat zoals de TV-box.

Op de website van Hirschmann staat een connectieschema om je een idee te geven: 695020694 INCA 1G white + USB SET Gigabit internet over coax adapter set inclusief USB-voedingen | H... 

Bekijk ook dit topic eens. Daarin werd recent iemand geholpen bij het aansluiten: Hoe Hirschmann inca aansluiten?


  WG94 | Krak
  Mistakes are proof that you are trying
  Vergeet niet om likes te geven en/of als oplossing te markeren.
Ex-Netweter
 

Hoe extra TV-box verbinden via UTP-kabel?


@HowHughes  schreef:

Normaal gezien zit er dus ook internetverbinding doorheen de coax-kabel (die dus wel ook op 1ste verdiep aanwezig is zoals aangegeven).


Neen, in de garage op de benedenvloer staat naast de Telenet-modem ook een netwerkverdeler (NIU) die het klassieke tv-signaal (DVB-C) afsplitst. Op de coaxkabel op de 1ste verdieping zit alleen dit tv-signaal.

Om het internetsignaal op de 1ste verdieping te krijgen leg je best UTP-kabel aan. Mogelijks kan door de bestaande leiding een nieuwe coaxkabel en UTP-kabel getrokken worden. Elke elektro-installateur kan dat werkje voor je uitvoeren.

De Hirschmann INCA 1G gebruiken is ook een mogelijkheid. Je hebt dan eigenlijk wel het model nodig met F-connectoren (Hirschmann INCA 1G special edition) dat je op een DS-poort van de netwerkverdeler (NIU) kan aansluiten. Met het gewone model heb je bijkomend nog een mannelijk en vrouwelijk koppelstukje van IEC-connector naar F-connector nodig.

 

HowHughes
Freshman Weetjesweter
Berichten: 12
Handje vol! Twee handen vol! Leesbeest! Mooi, mooi!

Hoe extra TV-box verbinden via UTP-kabel?

bedankt voor uw antwoord.
Ik heb het schema bekeken en vermoed dat ik enkel nodig heb zoals hieronder. maw. de coax kabel die vanuit de Nui vertrekt vanuit een ds-poort et op 1ste verdiep via een coax-contactdoor uitkomt...en dan volgens het schem ?...en mag veronderstellen dat door deze coaxkabel dan het internetsignaal zit dat er door de Moca zal uitgehaald worden ? en vanwaar ik dus verder kan via een RJ45 ?

HowHughes_0-1706033446336.png

 

HowHughes
Freshman Weetjesweter
Berichten: 12
Handje vol! Twee handen vol! Leesbeest! Mooi, mooi!

Hoe extra TV-box verbinden via UTP-kabel?

bedankt voor uw antwoord.
Ik heb het schema bekeken en vermoed dat ik enkel nodig heb zoals hieronder. maw. de coax kabel die vanuit de Nui vertrekt vanuit een ds-poort et op 1ste verdiep via een coax-contactdoor uitkomt...en dan volgens het schem ?...en mag veronderstellen dat door deze coaxkabel dan het internetsignaal zit dat er door de Moca zal uitgehaald worden ? en vanwaar ik dus verder kan via een RJ45 ?

HowHughes_0-1706033678594.png

 

WG94
Professional Meesterweter
Berichten: 3332
PhD in problem solving! Jij bent geliefd! Jij Netweters wikipedia! De nieuwe Einstein!

Hoe extra TV-box verbinden via UTP-kabel?

Dit is de aansluiting aan de kant van je TV.

Je moet echter aan de kant van je modem en NIU ook nog eentje plaatsen om het internet signaal op de COAX te plaatsen.

Je hebt dus minstens 2 van deze toestellen nodig.


  WG94 | Krak
  Mistakes are proof that you are trying
  Vergeet niet om likes te geven en/of als oplossing te markeren.
0 Likes
HowHughes
Freshman Weetjesweter
Berichten: 12
Handje vol! Twee handen vol! Leesbeest! Mooi, mooi!

Hoe extra TV-box verbinden via UTP-kabel?

maaer ik veronderstelde dat het internetsignaal sowieso op de coax zat...aangezien deze in de modem gaat en daar dus toch ook afgetapt wordt...de coax komt binnen in de versterker nui en vandaaruit gaan er 3 coax-kabels waarvan één naar modem...de andere 2 tot nu toe naar tv...maar de coax die naar modem gaat verschilt toch in niets van de andere 2 coaxen aangezien ze alle drie uit de nui-versterker komen ? en dragen dus toch alle drie een internet signaal ?...of zie ik dat verkeerd ?

0 Likes
WG94
Professional Meesterweter
Berichten: 3332
PhD in problem solving! Jij bent geliefd! Jij Netweters wikipedia! De nieuwe Einstein!

Hoe extra TV-box verbinden via UTP-kabel?

Je modem werkt uiteraard via COAX, maar jij als klant krijgt enkel internet uit je modem. Anders zou je bij wijze van spreken zo een MoCA toestel aan een willekeurige coax aansluiting kunnen hangen (zelfs op straat of bij de buren) en daar plots internet hebben zonder tussenkomst van een modem of router, dat is uiteraard niet hoe het werkt.

Je NIU heeft ook verschillende poorten. CM voor je modem; DS voor je televisiesignaal. 


  WG94 | Krak
  Mistakes are proof that you are trying
  Vergeet niet om likes te geven en/of als oplossing te markeren.
0 Likes
HowHughes
Freshman Weetjesweter
Berichten: 12
Handje vol! Twee handen vol! Leesbeest! Mooi, mooi!

Hoe extra TV-box verbinden via UTP-kabel?

hello,
maar de CM poort is toch waar de coax input komt....en dan vertrekt er uit één van de DS-poorten een coax naar de modem alsook naar de bovenverdiepingen/coax wanddozen...dus zie ik nog steeds het verschil niet tussen de coax die vertekend vanuit DS1 naar modem en bv. coax vertrekkend uit DS2 naar coax wanddoos.

0 Likes
flip1953
Experienced Meesterweter
Berichten: 2780
Jij bent geliefd! De nieuwe Einstein! Vraagbaakkampioen! PS: 2500 posts. Indrukwekkend!

Hoe extra TV-box verbinden via UTP-kabel?

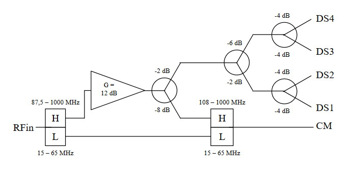
Je ziet dat inderdaad verkeerd. Kijk eens naar onderstaand schema: van de NIU:

  • de coax van Telenet komt binnen op de "RF" poort
  • de coax naar de modem wordt aangesloten op de "CM" poort
  • de TV toestellen worden aangesloten op DS1 tot en met DS4

Het verschil tussen die uitgangen is het retoursignaal.

Een modempoort (CM) is bi-directioneel, de TV uitgangen niet: uploadfrequenties (16-65 MHz) worden hier niet doorgelaten.

 

niu schema.png

 


@HowHughes  schreef:

...en mag veronderstellen dat door deze coaxkabel dan het internetsignaal zit dat er door de Moca zal uitgehaald worden ? 


Je ziet dit ook verkeerd:

Het coax signaal tussen de Moca's is geen "internet", maar is jouw lokaal netwerk.

Het wordt pas "internet" nadat het signaal door de modem (router) op het internet gezet wordt...

HowHughes
Freshman Weetjesweter
Berichten: 12
Handje vol! Twee handen vol! Leesbeest! Mooi, mooi!

Hoe extra TV-box verbinden via UTP-kabel?

toch zeer bedankt voor al de aandacht die je me hebt verleent...ik begrijp uiteraard wat je allemaal aangeeft maar de coax naar de modem vertrekt vanuit DS1....dus blijf ik verward

De 3 grijze coax gaan naar tv

HowHughes_0-1706436778894.jpeg

 

janne_man
Professional Superweter
Berichten: 6296
Dat verdient een trofee! Een echt antwoordkanon jij! De gouden postveer is voor jou MVP, Most Valuable Poster!

Hoe extra TV-box verbinden via UTP-kabel?

Kijk nog eens goed naar je NIU. Is er rechts van de drie witte kabels een vierde aansluitpunt?

Kijk een met google naar afbeeldingen van NIU's.

Van links naar rechts:

  1. kabel komt van de straat
  2. kabel gaat naar modem
  3. eerste aansluiting voor tv
  4. tweede aansluiting voor tv
  5. derde aansluiting voor tv
  6. vierde aansluiting voor tv

 

flip1953
Experienced Meesterweter
Berichten: 2780
Jij bent geliefd! De nieuwe Einstein! Vraagbaakkampioen! PS: 2500 posts. Indrukwekkend!

Hoe extra TV-box verbinden via UTP-kabel?


@HowHughes  schreef:

toch zeer bedankt voor al de aandacht die je me hebt verleent...ik maar de coax naar de modem vertrekt vanuit DS1....dus blijf ik verward

De 3 grijze coax gaan naar tv


Trek gewoon eens die zwarte kap eraf, en maak dan een foto. Je zal wel zien dat:

- die linker zwarte coax van de straat komt.

- die zwarte coax naar de modem aangesloten is op CM

- die 3 grijze coax naar TV aangesloten zijn op DS1, DS2 en DS3

- op DS4 (helemaal rechts) is er niets aangesloten (of een "afsluitweerstand").

luc55
Professional Meesterweter
Berichten: 5510
Een echt antwoordkanon jij! De gouden postveer is voor jou MVP, Most Valuable Poster! Netweters’ orakel!

Hoe extra TV-box verbinden via UTP-kabel?

Om de zwarte kap er af te doen

Sta voor de kap en trek naar je toe de plastiek kap goed trekken

0 Likes